電接點壓力表-壓力儀表-南京華爾威儀表有限公💞司💕
      1. 歡迎來到南京華爾威儀表有限公司網站!25年專注電😍氣系統集成解決方案。

        南京華爾威儀表有限公司

        25年專注電氣系統集成解決方案

        提供變頻櫃、PLC控制櫃、抽屜櫃等電氣成套設計定制

        咨詢熱線

        壓力儀表
        電接點壓力表

        一、電接點壓力表産品概述磁助電接點壓力表廣泛應⛹🏻‍♀️用于😝石油、化工、冶金、電站等工業部門或機電🙈設備配套中測量無爆炸危險的各種流體介質的壓力。通常,電接點壓力表經與相應的👌電氣器件(如⛹🏻‍♂️繼電器及👌接觸器等)配套使用

        全國服務熱線:

        在線咨詢
        • 産品詳情

        一、電接點壓力表産品概述

        磁助電接點壓力表廣泛應用于石油、化工、冶金、電站等工業💁🏼‍♀️部門或機電設備配套中測量無爆炸危險的各種流體介質😁的壓力。通常,電接點壓力表經與相應的電氣✋器件(如繼電器及接觸器等)配套使用,即可對被測(控)壓力系統實✡️現自動控制和發信(報警)的目的。電接點壓力表适用于測😗量對銅合金🙆🏿無腐蝕、無爆炸危險、非結晶的各種液體、氣體等介質壓力。儀💑🏾表經與相應的電氣器件配套使用,可達到對被測壓力系統實現預先設定的最大或最小壓力值的雙位自動控制和發信(報警)的目的🧑🏽‍❤️‍💋‍🧑🏻。儀表具有測量控制功能,可任👽意設定上、下限😁值,動作穩定可靠,在石油、化工、電站、冶金等工業企業及機電設備上廣泛配套使用。


        二、電接點壓力表産品原理

        電接點壓力表由測量系統、指示裝置、磁助電接點裝💫置、外殼👨‍🦰、調節裝置及接線盒等組成。當被測壓力作用于彈簧管時,其末端✍🏻産生相應的彈性變形一💞位移,經🎅🏿傳動機構放大後,由指示裝置在度盤上指示出來。同時指針帶動電接點裝置的活動觸點與設定指針上👌的觸頭(上限或下限)相接👩🏿‍❤️‍💋‍👨🏽觸的瞬時,緻👩🏽‍🐰‍👩🏿使控制系統🧛🏾‍♀️接通或斷開電路,以達到自動控制和發信報警ˇ的目的。在電接點裝置的電接觸信号針👽上,裝有可調節的永久磁鋼,可以增加接點吸力,加快接觸動作,從而使觸點接觸🧑🏽‍🎄可靠,消除電弧🙉,能有😜效地避免儀表由于工作環境振動或介質壓力脈🧑🏽‍❤️‍💋‍🧑🏻動造成觸點的頻繁關斷。所以該儀表具有動作可靠、使用壽命長、觸點開關功率較🧜🏼‍♂️大等優點。

        ● 接點裝置電氣參數及控制形式




        三、電接點壓力表型号表示



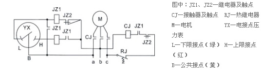
        四、電接點壓力表電氣電路連接示意圖



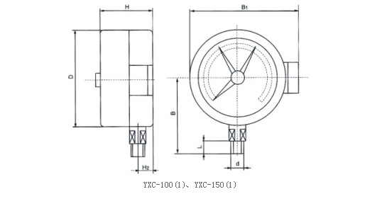
        五、電接點壓力表外形尺寸


        • 南京華爾威儀表有限公司

          掃一掃了解更多